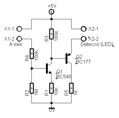
Plantejo un nou circuit (no testejat en absolut) per veure de detectar una locomotora amb una impedància interna d'entre 500K i 1M:
Detecció de locomotores (digitalitzades) aturades a una via
- Pere
- Site Admin
- Entrades: 376
- Membre des de: 13 juny 2007 20:47
- Nom i cognoms: Pere Comas
- Número: 88
Detecció de locomotores (digitalitzades) aturades a una via
L'antiga proposta funciona be per qualsevol locomotora analògica, no digitalitzada, que presenta una resistència interna del seu motor d'entre 500 i 1K ohms:
Però aquest circuit no és capaç de reconèixer una locomotora digitalitzada que presenta una resistència interna molt superior
Plantejo un nou circuit (no testejat en absolut) per veure de detectar una locomotora amb una impedància interna d'entre 500K i 1M:
Plantejo un nou circuit (no testejat en absolut) per veure de detectar una locomotora amb una impedància interna d'entre 500K i 1M: